云设计

热门搜索: 防爆监控 电动机 防爆暖通 防爆风机

当前位置:首页>云设计>新闻详情

隔爆外壳用导管密封装置

2026年3月9日 来源:防爆云平台--防爆产业链服务平台 防爆空调 防爆电气 防爆电机 防爆风机 防爆通讯 浏览 193 次
0

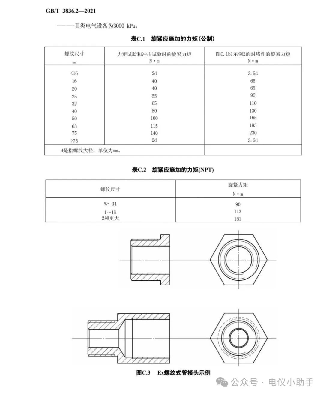
1、导管密封装置,无论是整体或分开,均应符合GB/T 3836.2—2021《爆炸性环境 第2部分:由隔爆外壳“d”保 护的设备》及其附录C.2.1.2和C.3.1.2的要求,用术语“导管密封装置”代替"电缆引入装置”并且在外壳上构成GB/T 3836.2—2021第5章规定的接合面宽度和间隙。

:因为该类结构不包括重复使用,所以GB/T 3836.2—2021附录C2.1.2关于导管密封装置在规定的复合物固化周期之后能够在不破坏复合物密封情况下进行装入和拆卸的要求不能适用。

当导管密封装置是与外壳构成整体或为该外壳专用时,它们应作为相关外壳的部分进行试验。

当导管密封装置与外壳分开时:

--螺纹连接的Ex导管密封装置可作为设备评定,这样的导管密封装置不需要承受GB/T 3836.2—2021第15.2规定的试验和第16章规定的例行试验

--其他导管密封装置可仅作为Ex元件评定;和

--应在文件中提供在符合GB/T 3836.2—2021第13.2的孔中进行安装的足够信息。

2、导管引入只允许用于Ⅱ类电气设备。

3、密封装置,例如采用凝固复合物的填料盒,应作为隔爆外壳的部件设置或直接设置在引入处。它应满足GB/T 3836.2—2021附录C规定的密封型式试验。已评定的密封装置可由安装单位或用户按照设备制造商的说明书使用。

注:当密封装置直接或通过必要的连接附件安装到外壳上时,密封装置被视为直接安装到隔爆外壳引入处。

密封复合物和使用方法应在填料盒的防爆合格证中规定,或在完整的隔爆外壳设备的防爆合格证中规定。密封复合物与隔爆外壳之间的填料盒部分应作为隔爆外壳处理,即接合面应符合GB/T 3836.2—2021第5章的规定,组装件应通过GB/T 3836.2—2021第15.3规定的不传爆试验。

从密封腔端面到外壳或用作终端的外壳)以及外壳(或用作终端的外壳)壁外侧的距离应尽可能小,无论如何不应大于导管的尺寸或50 mm,取其较小者。




引用标准:

GB/T 3836.2—2021 爆炸性环境 第2部分:由隔爆外壳“d”保护的设备[S].

0
营业执照 | 增值电信业务经营许可证 | 豫公网安备41130202000490号 | 豫ICP备19015714号-1 (版权所有 防爆云平台 © Copyright 2009 - 2025 . All Rights Reserved.)